Z rovnakej kategórie

Previous
Next

Napäťové relé HRN-100

114,39 €
S DPH
na sklade

Monitorovacie napäťové relé HRN-100 (odporúčané pre FVE do 29,99kW). Akceptované a odporúčané všetkými distribučnými spoločnosťami.

Kategória Ochrana a istenie

Na stiahnutie

Manual HRN-100

Návod na nastavenie multifunkčného napäťového relé HRN-100

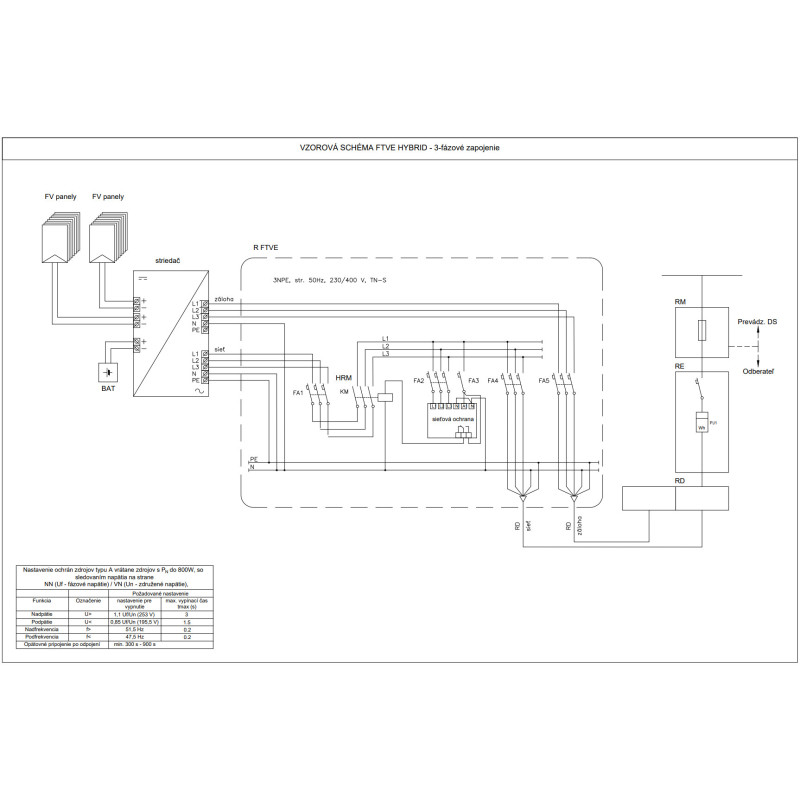
Hybrid FVE schema

Jednopólová schéma pre hybridnú fotovoltaickú elektráreň

3-vodičové alebo 4-vodičové zapojenie (s nulou alebo bez).

Voliteľne monitoruje hornú aj spodnú hodnotu napätia & frekvencie v 3-fázových obvodoch.

Umožňuje monitorovať poradie, výpadok aj asymetriu fáz vr. prerušenie nulového vodiča (len pri 4-vodičovom zapojení).

Výrobok je napájaný pomocou monitorovaného napätia.

Oba výstupné kontakty môžu byť nastavené individuálne.

Meria skutočnú efektívnu hodnotu striedavého napätia (True RMS).

Voliteľné oneskorenie reakcie výstupného kontaktu na zmeraný chybový stav alebo prechod z chybového stavu do OK stavu vr. oneskorené reakcie výstupných kontaktov po pripojení napájacieho napätia.

Možnosť automatického alebo manuálneho prechodu z chybového stavu (pamäť).

Voliteľné zopnutie alebo rozopnutie výstupného kontaktu pri zmeraní chybového stavu (Fail Safe/Non Fail Safe).

Ochrana heslom pred neoprávnenými zmenami nastavenia.

Digitálny podsvietený displej s možnosťou sledovania aktuálneho stavu siete vr. prípadných porúch.

Posledných päť chybových stavov sa ukladá do histórie, ktorú si môžete spätne zobraziť.

Plombovateľný priehľadný kryt displeja a ovládacích prvkov.

Technické parametre:

Napájacie a strážené napätie: ULL = 3 ~ 155-500 V (AC 45-65 Hz),ULN = 3 ~ 90-288 V (AC 45-65 Hz)

Príkon: max. 5 VA

Počet kontaktov: 2x prepínací, 5A (AgSnO2), 

Indikácia výstupu: na displeji, ikona R1 a R2, 

Upevnenie: DIN lišta EN 60715 

Krytie: IP20 kryt a svorky / IP40 predný panel s krytom 

Rozmer: 90 x 36 x 66.5 mm

Na stiahnutie

Manual HRN-100

Návod na nastavenie multifunkčného napäťového relé HRN-100

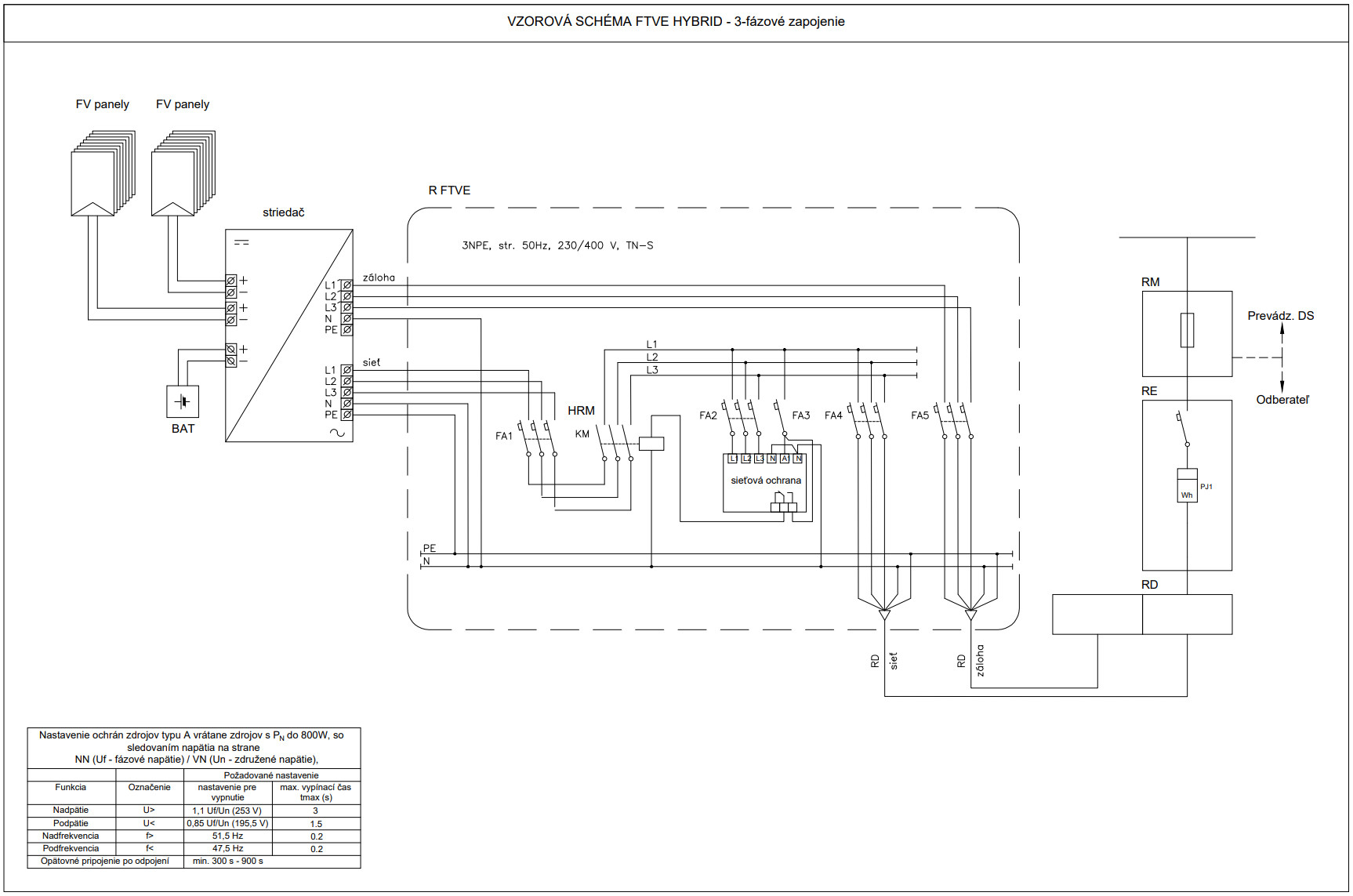
Hybrid FVE schema

Jednopólová schéma pre hybridnú fotovoltaickú elektráreň

Súvisiace produkty

Z rovnakej kategórie